湖南FF反应罐

  • 服务名称: 湖南FF反应罐
  • 服务分类: 搪玻璃设备
  • 公司名称: beat·365(中国)-官方网站
  • 添加时间: 20/03/02
  • 点击次数:  
  • 二 维 码:

    手机浏览

    更方便

产品详情

闭式搪玻璃反应釜(闭式搪瓷反应釜)介绍

闭式搪玻璃反应釜(闭式搪瓷反应釜)是含高硅搪玻璃釉喷涂在钢容器表面,经高温燃烧过程的合理和坚持金属表面复合材料制品、罐盖搪玻璃反应罐是一点。它具有玻璃稳定性和金属强度的双重优点。是一种优良的耐腐蚀化工设备。它具有耐腐蚀、抗冲击、外观光滑、绝缘、耐热、耐磨等性能可靠。因为罐盖与罐体是完整闭合的整体,不能分开,因此闭式搪瓷反应釜适合用于釜内压力较高的环境,能避免或减少泄露;同时受到安装尺寸的限制,闭式搪瓷反应釜中的搅拌浆不如开式反应釜中的搅拌浆大。闭式搪玻璃反应釜与开式搪玻璃反应釜一样被广泛应用于化工、石油、医药、农药、食品、染料等工业过程中。是水解、中和、结晶、混合、乳化的较理想设备。所以,用户要正确选择搪玻璃反应釜类型,需要从其密封要求,价格需要,检修需要,搅拌形式等生产工艺要求角度出发考虑。

【产品特点】:  

1、闭式搪玻璃反应釜是一种盖体不能分离反应器。 

2、由于盖子可以与罐体一体不能分开,所以该类型搪玻璃反应釜适合用于釜内压力较高的环境,能避免或减少泄露。  

3、由于XH-5809高端瓷釉,结合成熟的搪瓷技术,使得该类型闭式搪玻璃反应釜具有显著的抗腐蚀、抗冲击和抗温度聚变等特性,经久耐用。  

4、闭式搪玻璃反应釜的生产工艺采用流水线技术,质量可靠。  

5、该类型闭式搪玻璃反应釜全部采用电炉烧成,瓷面清洁,不宜崩瓷。 

6、对搪玻璃反应釜表面除锈处理后,进行环保水性漆喷涂,使得产品更加美观大方。

7、我们可以根据用户的需要设计和制造各种非标准闭式搪玻璃反应器设备。


一、闭式搪玻璃反应釜(闭式搪瓷反应釜)(1500L-6300L)

产品名称:F式搪玻璃反应釜(F式搪瓷反应釜) 

别名:闭式搪玻璃反应釜(闭式搪瓷反应釜) 

所属类别:搪玻璃反应釜(搪瓷反应釜) 

产品规格:F1500L F2000L F3000L F4000L F5000L F6300L 

产品用途:这种搪玻璃反应器主要用于中小型化工和制药实验。这种搪玻璃反应器也适用于化工、制药等中等规模生产的精密工况。闭式搪玻璃反应釜广泛应用于中型化工、石油、医药、农药、食品、染料等行业,是水解、中和、结晶、混合、乳化的较佳设备。

【F型搪玻璃反应器的技术参数】:

F1500L-F6300L闭式搪玻璃反应釜(闭式搪瓷反应釜)设计图纸及参数如下所示:


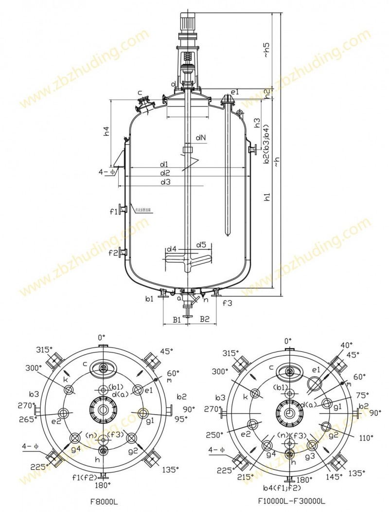
二、闭式搪玻璃反应釜(闭式搪瓷反应釜)(F8000L F10000L F12500L F16000L F30000L F50000L)

产品名称:F式搪玻璃反应釜(F式搪瓷反应釜) 

别名:闭式搪玻璃反应釜(闭式搪瓷反应釜) 

所属类别:搪玻璃反应釜(搪瓷反应釜) 产品规格:F8000L F10000L F12500L F16000L F30000L F50000L 

 产品用途:这种搪玻璃反应器主要用于大型化工和制药实验。这种搪玻璃反应器也适用于化工、制药等大规模生产的精密工况。闭式搪玻璃反应釜广泛应用于中型化工、石油、医药、农药、食品、染料等行业,是水解、中和、结晶、混合、乳化的较佳设备。

【F型搪玻璃反应器的技术参数】: F8000L-F50000L闭式搪玻璃反应釜(闭式搪瓷反应釜)设计图纸及参数如下所示:

注:当使用温度低于0℃时,订货前请说明。


淄博筑鼎搪玻璃设备订货条件参数表格下载


表格编号:ZBZD-

订 货 单 位

 

合 同 编 号

 

设 备 名 称

 

交 货 日 期

 

位       号

 

数       量

 

公 称 容 积

 

 直  径(内/外)

/

类型(反罐或储罐)

 

夹 套 介 质

 

釜 内 介 质

 

夹套工作压力

 

釜内工作压力

夹套工作温度

 

釜内工作温度

 

 

--

管 口 要 求

 

减   速  机

 

转      速

 

电       机

 

搅       拌

 

温   度  计

 

密 封 形 式

 

放   料  阀

 

执 行 标 准

 

详 细 加 温 条 件

加温时间:

加热温度:

冷却方法:

其它说明:

 

 

 

 

 

 

 

联 系 方 式

单位地址:

联 系 人:

联系座机:                         手机:

联系传真:

联系邮箱:

审核:                    制表:                日期:                   




以上是关于湖南FF反应罐厂家,湖南FF反应罐价格的详细介绍
地区产品: 山东FF反应罐河北FF反应罐广东FF反应罐河南FF反应罐江苏FF反应罐安徽FF反应罐浙江FF反应罐辽宁FF反应罐黑龙江FF反应罐湖南FF反应罐
点击次数:   更新时间:20/03/02 15:32:03   【打印此页】   【关闭
联系我们
beat365中国官方网站

销售部:0533-2889567   13969380660  13287013119

维修部:13864665433    0533-2889567

传  真:0533-2889567 邮  编:255000
邮  箱:zbzhuding@163.com
网  址:https://www.busymom365.com
地址:淄博市张店区柳泉路13号