河南kF反应罐

  • 服务名称: 河南kF反应罐
  • 服务分类: 搪玻璃设备
  • 公司名称: beat·365(中国)-官方网站
  • 添加时间: 20/03/02
  • 点击次数:  
  • 二 维 码:

    手机浏览

    更方便

产品详情

开式搪玻璃反应釜(开式搪瓷反应釜)介绍

开式搪玻璃反应釜(开式搪瓷反应釜)是将含有高二氧化硅的搪玻璃釉料喷涂在钢制容器内表面,经合理的高温灼烧工艺而牢固地密着于金属表面上成为复合材料制品,罐盖与罐体可以分开的搪玻璃反应釜,之间放密封垫片后通过卡子一周固定。 

开式搪玻璃反应釜(开式搪瓷反应釜)使用方便,易于维护和维修。它具有玻璃的稳定性和金属强度的双重优点,是一种优良的耐腐蚀化工设备,具有耐腐蚀、抗冲击、光滑美观、绝缘耐热、耐磨等可靠性能。搪玻璃反应釜等搪玻璃设备广泛地应用于化工、石油、医药、农药、食品、染料等工业生产过程,是水解、中和、结晶、混合、乳化等较理想的设备。  

【产品特点】:

 1、K型搪玻璃反应器是一种可分离的盖体组合式反应器。盖子用卡子固定在罐体上,之间由垫片进行密封。  

 2、由于盖子可以与罐体分开,所以该类型搪玻璃反应釜(搪瓷反应釜)具有多种搅拌方式满足用户不同的工艺需求。 

 3、由于XH-5809高端瓷釉,结合成熟的搪瓷技术,使得该类型开式搪玻璃反应釜具有显著的抗腐蚀、抗冲击和抗温度聚变等特性,经久耐用。

 4、开式搪玻璃反应釜的生产工艺采用流水线技术,质量可靠。

 5、该类型开式搪玻璃反应釜(开式搪瓷反应釜)全部采用电炉烧成,瓷面清洁,不宜崩瓷。  

 6、对搪玻璃反应釜表面除锈处理后,进行环保水性漆喷涂,使得产品更加美观大方。 

 7、我们可以根据用户的需要设计和制造各种非标准搪玻璃反应器设备。 


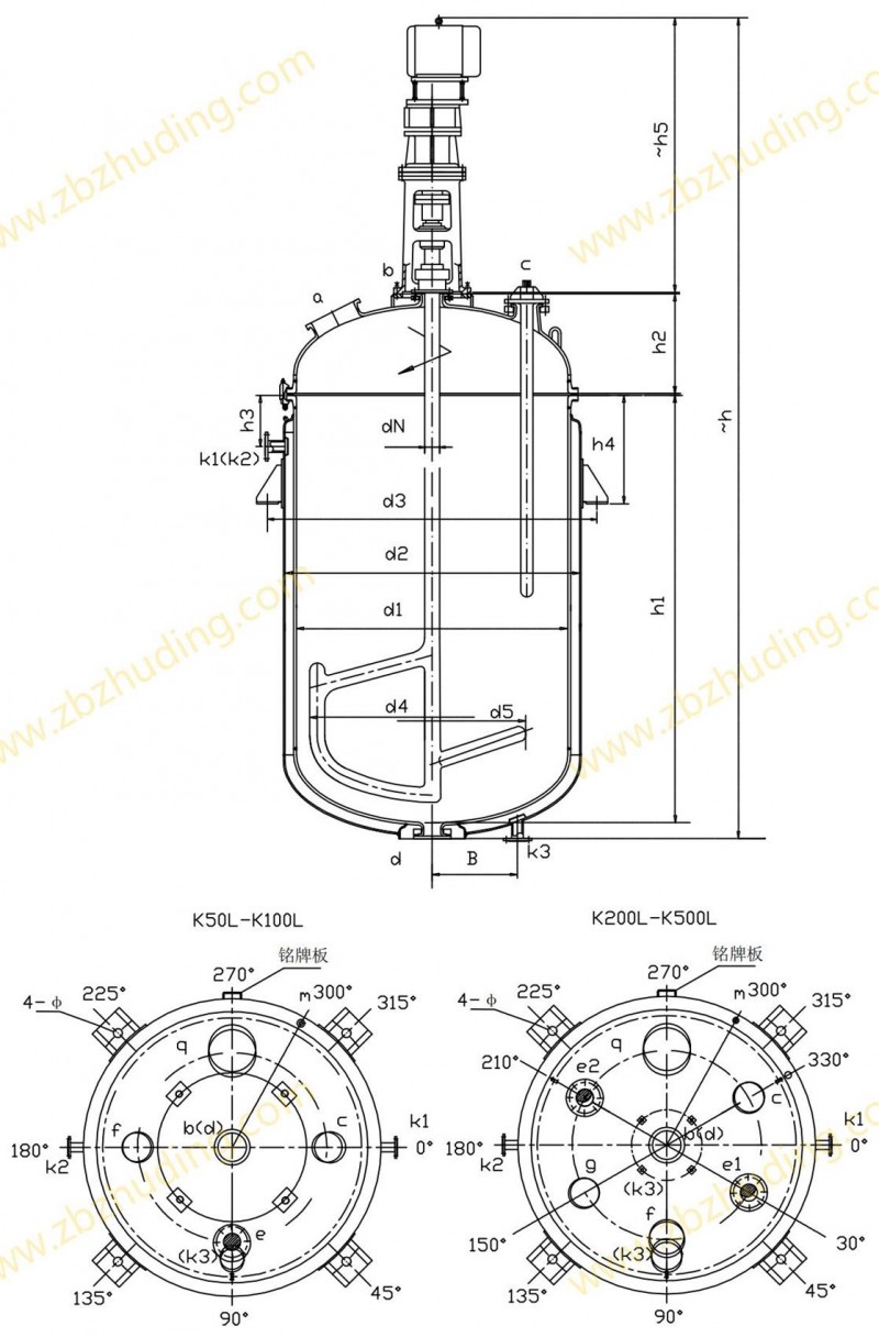
 一、开式搪玻璃反应釜(开式搪瓷反应釜)(50L-500L)  

产品名称:K式搪玻璃反应釜(K式搪瓷反应釜) 

别名:开式搪玻璃反应釜(开式搪瓷反应釜)

 所属类别:搪玻璃反应釜(搪瓷反应釜) 

产品规格:50L 100L 200L 300L 500L 

产品用途:这种搪玻璃反应器主要用于小型化工和制药实验。这种搪玻璃反应器也适用于化工、制药等小规模生产的精密工况。

【K型搪玻璃反应器的技术参数】:

 K50L-K500L开式搪玻璃反应釜(开式搪瓷反应釜)设计图纸及参数如下所示:


二、开式搪玻璃反应釜(开式搪瓷反应釜)(1000L 1500L 2000L 3000L 4000L 5000L 6300L)

产品名称:K式搪玻璃反应釜(K式搪瓷反应釜)

别名:开式搪玻璃反应釜(开式搪瓷反应釜) 

所属类别:搪玻璃反应釜(搪瓷反应釜)

 产品规格:1000L 1500L 2000L 3000L 4000L 5000L 6300L 

 产品用途:这种搪玻璃反应器主要用于中小型化工和制药实验。这种搪玻璃反应器也适用于化工、制药等中等规模生产的精密工况。

【K型搪玻璃反应器的技术参数】: K1000L-K6300L开式搪玻璃反应釜(开式搪瓷反应釜)设计图纸及参数如下所示:



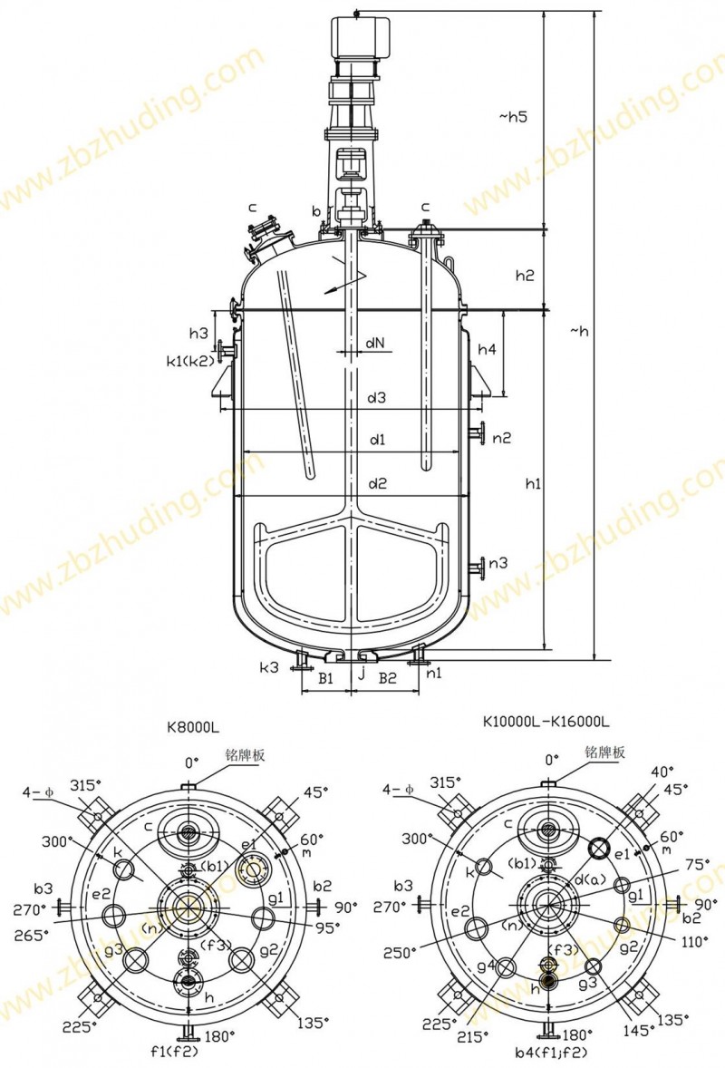
三、开式搪玻璃反应釜(开式搪瓷反应釜)(8000L 10000L 12500L 16000L)

产品名称:K式搪玻璃反应釜 

别名:开式搪玻璃反应釜 

所属类别:搪玻璃反应釜

产品规格:8000L 10000L 12500L 16000L 

产品用途:这种搪玻璃反应器主要用于大型型化工和制药实验。这种搪玻璃反应器也适用于化工、制药等中等大规模生产的精密工况。作为水解、中和、结晶、混合、乳化的较佳设备,广泛应用于化工、石油、医药、农药、食品、染料等行业。





淄博筑鼎搪玻璃设备订货条件参数表格下载

表格编号:ZBZD-

订 货 单 位

 

合 同 编 号

 

设 备 名 称

 

交 货 日 期

 

位       号

 

数       量

 

公 称 容 积

 

 直  径(内/外)

/

类型(反罐或储罐)

 

夹 套 介 质

 

釜 内 介 质

 

夹套工作压力

 

釜内工作压力

夹套工作温度

 

釜内工作温度

 

 

--

管 口 要 求

 

减   速  机

 

转      速

 

电       机

 

搅       拌

 

温   度  计

 

密 封 形 式

 

放   料  阀

 

执 行 标 准

 

详 细 加 温 条 件

加温时间:

加热温度:

冷却方法:

其它说明:

 

 

 

 

 

 

 

联 系 方 式

单位地址:

联 系 人:

联系座机:                         手机:

联系传真:

联系邮箱:

注:当使用温度低于0℃时,订货前请说明。


以上是关于河南kF反应罐厂家,河南kF反应罐价格的详细介绍
地区产品: 山东kF反应罐河北kF反应罐广东kF反应罐河南kF反应罐江苏kF反应罐安徽kF反应罐浙江kF反应罐辽宁kF反应罐黑龙江kF反应罐湖南kF反应罐
点击次数:   更新时间:20/03/02 15:32:03   【打印此页】   【关闭
联系我们
beat365中国官方网站

销售部:0533-2889567   13969380660  13287013119

维修部:13864665433    0533-2889567

传  真:0533-2889567 邮  编:255000
邮  箱:zbzhuding@163.com
网  址:https://www.busymom365.com
地址:淄博市张店区柳泉路13号