ZF贮罐

  • 服务名称: ZF贮罐
  • 服务分类: 搪玻璃设备
  • 公司名称: beat·365(中国)-官方网站
  • 添加时间: 20/03/02
  • 点击次数:  
  • 二 维 码:

    手机浏览

    更方便

产品详情


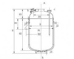
ZF系列搪玻璃贮罐设备参数表1

型号

公称容

L

实际容

L

            mm

D

D1

D2

H1

H2

H3

-H

ZF-3000

3000

3337

1450

600

1015

310

2260

1400

2933

ZF-4000

4000

4441

1600

600

1120

310

2470

1500

3182

ZF-5000

5000

5550

1600

600

1120

310

3020

1800

3732

ZF-6300

6300

7024

1750

600

1225

310

3210

1900

3924

ZF-8000

8000

8910

1900

600

1330

310

3460

2000

4174

ZF-10000,

10000

11142

2200

700

1540

351

3300

1900

4053

ZF-12500

12500

13872

2400

700

1680

351

3460

2000

4215

ZF-16000

16000

17766

2400

700

1680

351

4320

1700

5075

ZF-20000

20000

22217

2600

700

1820

351

4620

1800

5375

ZF-25000

25000

27790

2800

700

1960

351

4980

1900

5739

ZF-30000

30000

33301

3000

700

2100

351

5230

2000

6001

ZF-50000

50000

51605

3000

700

2100

351

7800

2000

8775


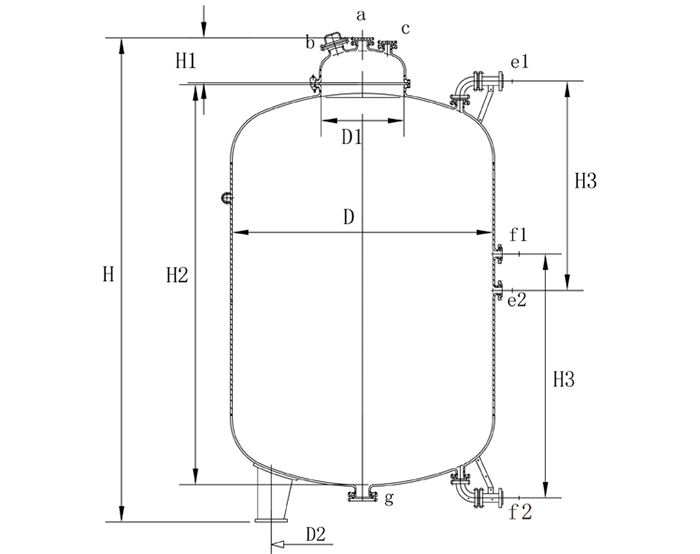
续表
2:

型号

           mm

参考重

Kg

a

b

c

d

e

f

g

h

ZF-3000

65

125

65

65

2-65

2-65

125

2-65

1700

ZF-4000

65

125

65

65

2-65

2-65

125

2-65

2070

ZF-5000

65

125

65

65

2-65

2-65

125

2-65

2100

ZF-6300

65

125

65

65

2-65

2-65

125

2-65

3000

ZF-8000

65

125

65

65

2-65

2-65

125

2-65

3580

ZF-10000

80

125

65

65

2-65

2-65

125

2-65

4440

ZF-12500

80

125

65

65

2-65

2-65

125

2-65

5660

ZF-16000

80

125

65

65

2-65

2-65

125

2-65

6800

ZF-20000

80

125

65

65

2-65

2-65

125

2-65

8490

ZF-25000

80

125

65

65

2-65

2-65

125

2-65

9830

ZF-30000

80

125

65

65

2-65

2-65

125

2-65

11880

ZF-50000

80

125

65

65

2-65

2-65

125

2-65

16800

 




以上是关于ZF贮罐厂家,ZF贮罐价格的详细介绍
地区产品: 山东ZF贮罐河北ZF贮罐广东ZF贮罐河南ZF贮罐江苏ZF贮罐安徽ZF贮罐浙江ZF贮罐辽宁ZF贮罐黑龙江ZF贮罐湖南ZF贮罐
点击次数:   更新时间:20/03/02 15:32:03   【打印此页】   【关闭
联系我们
beat365中国官方网站

销售部:0533-2889567   13969380660  13287013119

维修部:13864665433    0533-2889567

传  真:0533-2889567 邮  编:255000
邮  箱:zbzhuding@163.com
网  址:https://www.busymom365.com
地址:淄博市张店区柳泉路13号